-
Комплект FastMig M 420 Synergic, MXF 65EL, MS 300, GH1,8
Не указана цена
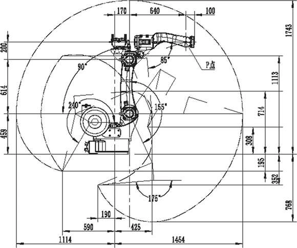
Промышленный робот для обслуживания CRP-RA09-06
Досягаемость манипулятора достигает 915мм. Компактные размеры позволяют легко встраивать роботов CRP-RA09-06 в существующие системы, а также монтировать в удобном положении на полу или потолке. В результате промышленный робот CRP-RA09-06 имеет отличную гибкость и может свободно работать в условиях даже очень маленьких рабочих помещений.
Робот отличается высокой жесткостью манипулятора. Инновационная технология сервоуправления обеспечивает стабильность и плавность движений. При этом модели серии CRP-RA09-06 имеют очень низкий показатель частоты столкновений с расположенными рядом устройствами. Встроенный кабель позволяет избежать необходимости использования внешних кабелей для подключения устройств. Корпус робота имеет высокую непроницаемость и подойдет для помещений с высоким уровнем пыли и масляным туманом. В результате робот CRP-RA09-06 отлично подойдет для выполнения задач по сварке, резке, сборке и для выполнения других манипуляций.
| Модель | CRP-RA09-06 | |
| Форма манипулятора | Вертикальный многошарнирный | |
| Степень свободы | 6 осей | |
| Max. полезная нагрузка | 6 кг | |
| Макс. диапазон движения | ось 1 | -170°~170° |
| ось 2 | -45°~190° | |
| ось 3 | 155°~110° | |
| ось 4 | -170°~170° | |
| ось 5 | -120°~120° | |
| ось 6 | -360°~360° | |
| Максимальная скорость | ось 1 | 337,5°/сек |
| ось 2 | 270°/сек | |
| ось 3 | 375°/сек | |
| ось 4 | 300°/сек | |
| ось 5 | 375°/сек | |
| ось 6 | 468°/сек | |
| Точность пошагового позиционирования | ±0,03 мм | |
| Максимальное расстояние досягаемости | 915 мм | |
| Вес манипулятора | 60 кг | |
| Режим установки | Напольный или потолочный монтаж | |
| Условия окружающей среды при монтаже | tº окр.среды | 0-45°C |
| относ. влажность | 20-80% (без образования конденсата) | |
| вибрация | Менее 0,5 Гц | |
| прочее | Монтаж робота должен осуществляться вдали от следующих факторов: легковоспламеняемые или коррозионно-активные жидкости и газы, электрические источники помех | |
| Уровень защиты IP | IP56 | |
| Преимущества | Компактная конструкция; высокие скорость, точность и расширяемость; а также простота эксплуатации | |
| Способы применения | резка, сборка, манипуляции, маркировка, шлифовка | |
